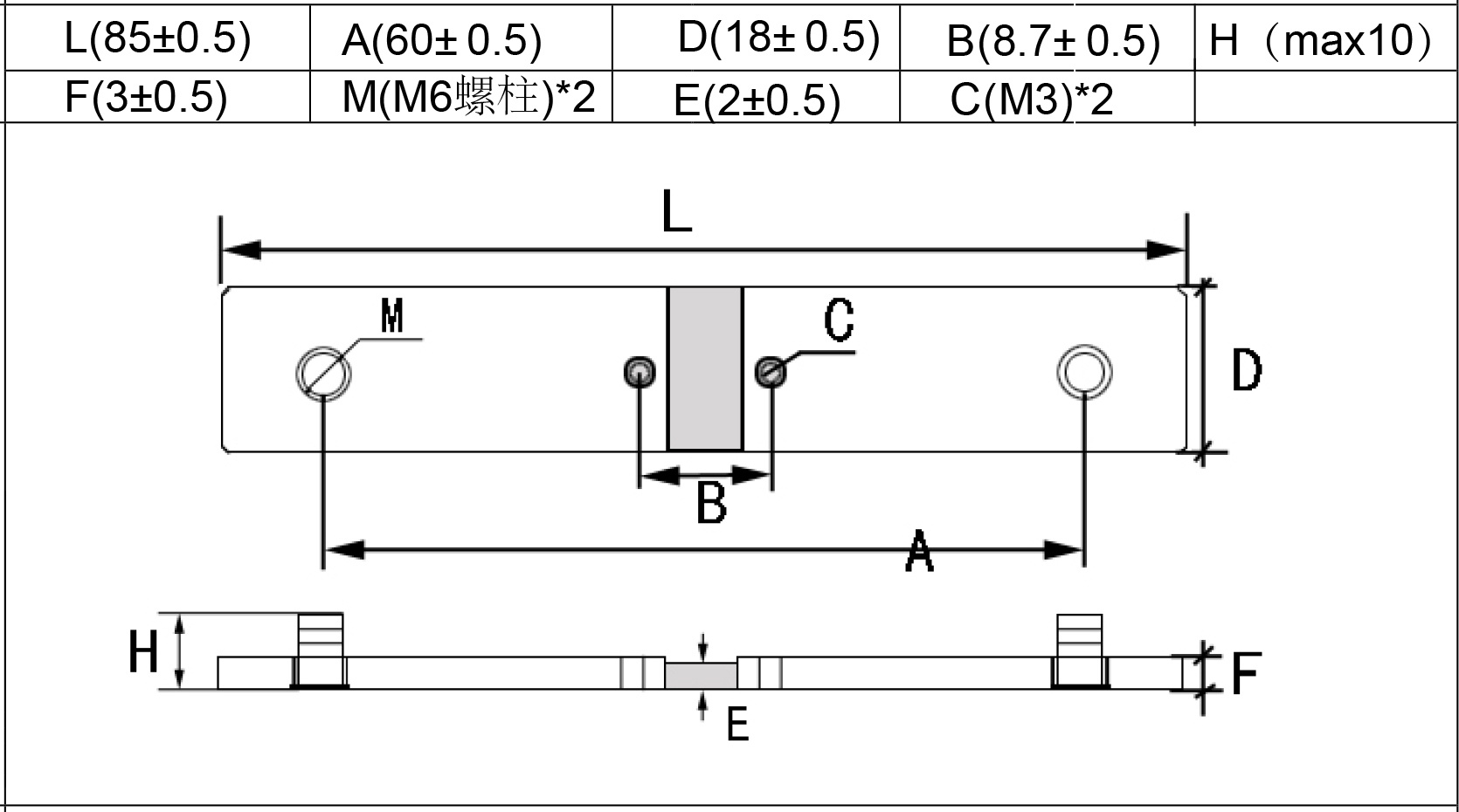
FL-3 With Guide Post
Horizontal diverter: HoFL3 with guide post ● Rated current: 300A ● Resistance value: 50 μ Ω ● Product accuracy: 1% ● Accept customization
Series:
Keywords:
FL-3 With Guide Post
1. Electron beam welding process, more accurate sampling point for screw hole design
2. High reliability, high overload capacity and high product accuracy.
3. Use non-inductive design with wide temperature range and inductance less than 10 Ohms
4. Resistance temperature coefficient TCR × 10-6/℃≤50ppm
5. Products meet ROHS requirements
6. The whole series of products comply with the vehicle specification AEC-Q200 test.
1. Product nominal:
·Nominal: HoFL3-8518-B-50 μ Ω-1%
| Ho | FL3 | 8518-B | 50μΩ | 1% |
| Ho milliohm electron | Product range | Package size | resistance | accuracy |

| Rated Current | 400A |
| Resistance | 50μ Ω |
| AccuracyClass | Consistency 1% |
| T.C.R ( ppm / ℃ ) | ≤50 |
| Manganese copper material | GB 6J12 precision manganese copper |
| Copper material | national standard T2 Y2 |
| Operating Temperature Range | -50℃~+170℃ |
Previous
Next
Contact us
Copyright © 2022 Shenzhen Milliohm Electronic Co.,Ltd Powered by www.300.cn Shenzhen SEO Business license