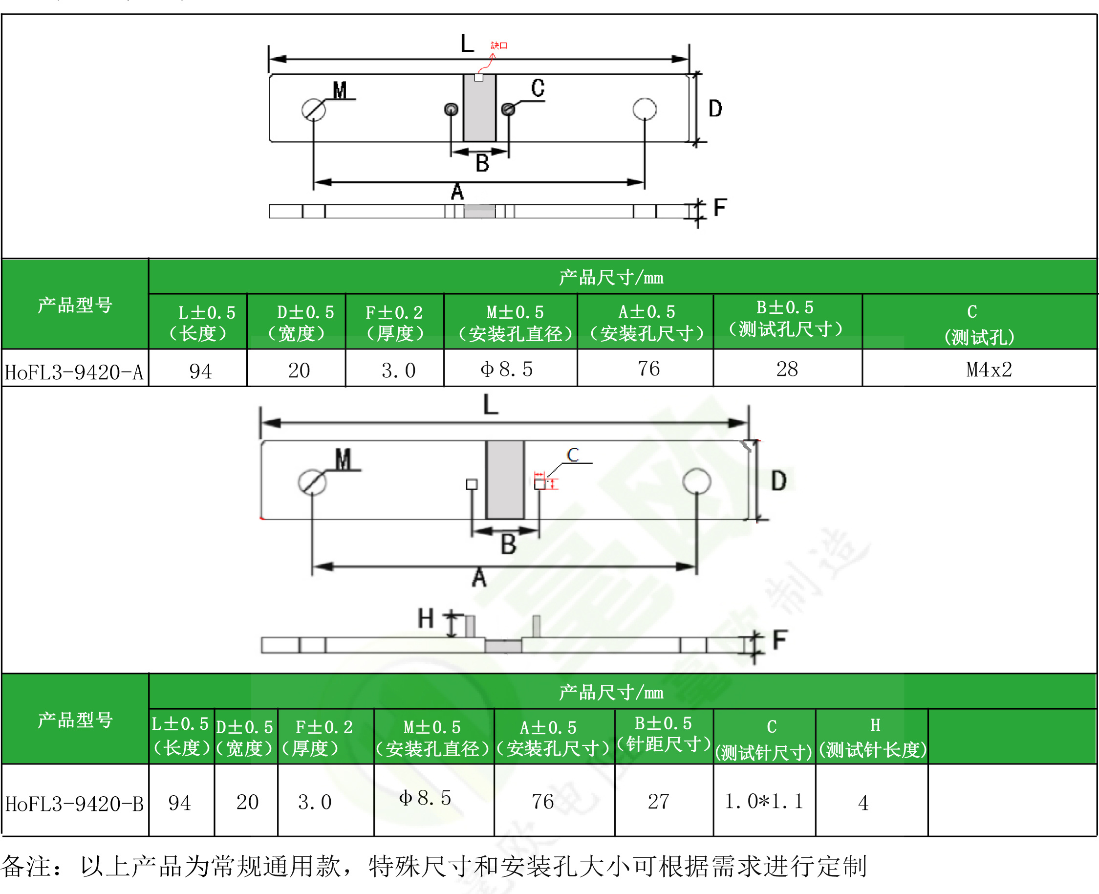
HoFL3-9420-Type Selection Of Vehicle-Gauge Shunt
Automobile diverter: HoFL3-9420 ● Rated current: 350A ● Resistance value: 50 μ Ω、100 μ Ω ● Product accuracy: 0.2%~5% ● Accept customization
Series:
Keywords:
HoFL3-9420-Type Selection Of Vehicle-Gauge Shunt
1. High precision, high reliability, high overload capacity and high stability
2. High reliability, high overload capacity and high product accuracy.
3. Wide temperature range non-inductive design
4. Resistance temperature coefficient TCR × 10-6/℃≤50ppm
5. Products meet ROHS requirements
6. Passed AEC-Q200 certification
1, Product nominal:
HoFL3-6918-A-100μΩ-0.5% 

| Rated Current | 350A |
| AccuracyClass | 0.2%、0.5%、1%、2%、5% |
| 20 ℃~60 ℃ resistance temperature coefficientT.C.R ( ppm / ℃ ) | ≤25 |
| Manganese copper material | GB 6J12 precision manganese copper |
| Copper material | national standard T2 Y2 |
| Operating Temperature Range | -55℃~+170℃ |
Contact us
Copyright © 2022 Shenzhen Milliohm Electronic Co.,Ltd Powered by www.300.cn Shenzhen SEO Business license